MJ8-CAT5E Überspannungsschutz für Ethernet und Datentechnik
Die MJ8-Serie wurde entwickelt, um empfindliche Komponenten innerhalb eines informationstechnischen Netzwerkes vor Überspannungen zu schützen.Der MJ8-Cat5E ist der ideale Schutz für Gigabit Ethernet Netzwerke. Für Power over Ethernet Netzwerke (PoE) ist der MJ8–POE die ideale Lösung. Weitere Varianten für Daten- und Telekommunikationsanwendungen runden die MJ8-Serie optimal ab.
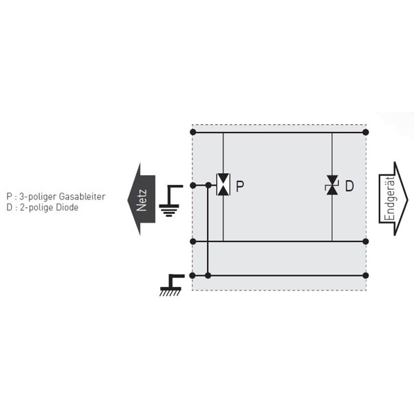
Die MJ8-Serie besteht aus einem hochwertigen und geschirmten Gehäuse mit zwei RJ45-Buchsen. Die 2-stufige Schutzschaltung mit CITEL-Gasableitern und schnell ansprechenden kapazitätsarmen Halbleitern stellt den Schutz sowohl vor energiereichen, als auch bei schnellen Überspannungsimpulsen sicher. Durch verschiedene Montagemöglichkeiten ist eine einfache Montage möglich.
Besonderheiten
- Einsatz in 10BaseT/100BaseT/1000BaseT Netzwerken
- Geschirmt
- Optimaler Schutzpegel für Netzwerkanwendungen
- CAT5
- Erfüllt die Norm IEC 61643-21
Schaltbild




